- 干货 | 收藏这些电气符号,教会你看水电图纸!
- 发布人:电老虎网 时间:2018-01-30 新闻来源:网络 浏览量:
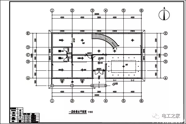
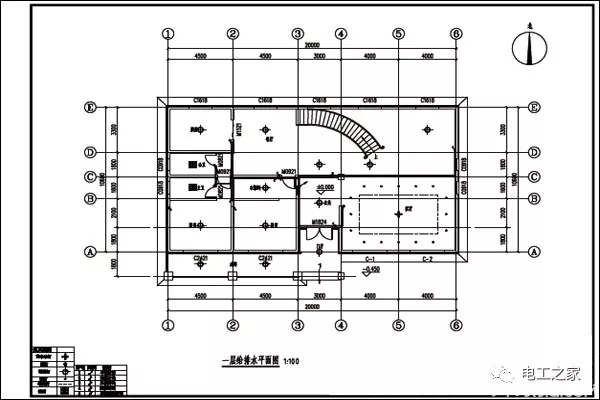
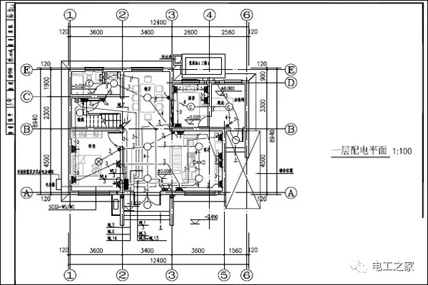
家装水电施工图是建筑给排水施工图和建筑电气施工图的统称,是确定工程造价和组织施工的主要依据。水电施工是家装中至关重要的一项,所以很多人都想自己把关工程项目,但是无奈又看不懂家装施工水电图,那么今天电老虎网就教大家家装水电图纸怎么看,让你把好水电施工这一关。

水电图纸怎么看
1、水电图纸上各种符号的意义
SC:焊接钢管
PC:PVC聚乙烯阻燃性塑料管
CT:桥架
MR:金属线槽
PR:塑制线槽
WC:沿墙暗敷设
WS(WE):沿墙明敷设
CC:沿顶板暗敷设
F:暗敷在地板内
CE:沿顶板明敷
SCE:吊顶内
YJV:电缆
SYV:电视线
PE:接地(黄绿相兼)
PEN:接零(蓝色)
3相线(火线):A项(黄) B项(绿) C项(红)
KV:(电压)千伏
BV:聚氯乙烯单层塑料电线
BVV:聚氯乙烯双层塑料电线
MEB:总等电位
LEB:局部等电位

2、线路敷设方式代号
PVC——用阻燃塑料管敷设
DGL——用电工钢管敷设
VXG——用塑制线槽敷设
GXG——用金属线槽敷设
KRG——用可挠型塑制管敷设
3、线路暗敷部位代号
LA——暗设在梁内
ZA—暗设在柱内
QA—暗设在墙内
PA——暗设在屋面内或顶棚内
DA——暗设在地面或地板内
PNA—暗设在不能进入的吊顶内

4、照明灯具安装方式代号
D——吸顶式
L——链吊式
G———管吊式
B——壁装式
R———嵌入式
BR———墙壁内安装
5、照明灯具标注方法
a--灯数
b--型号或编号
c--每盏照明灯具的灯泡个数
d--灯泡容量,W
e--灯泡安装高度,m
f--安装方式
L--光源种类,白炽灯或荧光灯

以上就是水电图纸怎么看的相关内容介绍,希望对您有所帮助。欲知更多电力电气相关知识,请继续电老虎网资讯。
(责任编辑:林)
-
关键词:干货,收藏,这些,电气,符号,教会,你看,水电,
推荐文章
最新文章
- 01
- 02
- 03
- 04
- 05
- 06
- 07



